『電動對夾式軟密封蝶閥』專業生產廠家,由正鋼自主生產的【蝶閥】質量可靠、價格合理、售后服務完善!弘妱訉A式軟密封蝶閥』適用于各種輕重工業及樓宇管道。正鋼品質,全球共享!【蝶閥】廣泛應用于:化工、石化、石油、造紙、采礦、電力、液化氣、食品、制藥、給排水、市政、機械設備配套、電子工業,城建等領域。
電動對夾式軟密封蝶閥 產品介紹
電動對夾式軟密封蝶閥采用雙偏心結構,具有越關越緊的密封功能,密封性能可靠。密封副材料選用不銹鋼和丁腈耐油橡膠配對,使用壽命長。橡膠密封圈即可位于閥體上,也可以位于蝶板上,可適用不同特點的介質,供用戶選擇。蝶板采用框架結構,強度高,過流面積大,流阻小。整體烤漆、能有效地防止銹蝕且只要更換密封閥座密封材料,就可使用于不同介質。D971X電動對夾蝶閥具有雙向密封功能,安裝時不受介質流向的控制,也不受空間位置的影響,可在任何方向安裝。本閥結構獨特,操作靈活,省力,方便。
電動對夾式軟密封蝶閥 結構特點與用途
D971X電動對夾式蝶閥采用對夾中心板式結構,主要由閥體,閥板,閥軸,閥座及傳動裝置組成,結構簡單緊湊,小巧輕便,運輸,安裝,拆卸方便;90°的啟閉,開關迅速,操作扭矩小,省力輕巧;密封性能好,使用壽命長,可達到零泄露;其流量特性近似于直線,調節性能好。D971X電動對夾蝶閥為橡膠密封,關閉時蝶板和閥座密封性能良好,雙向密封性能優良,扭矩值小,閥門在工作壓力下保持100%零泄漏,且蝶板與閥座密封之間的磨擦小。閥門由閥軸驅動閥板,閥板做90°轉動。蝶板啟閉靈活,無卡澀、跳動現象,扭矩小。用途:上海正鋼閥門制造有限公司研制的軟密封中線對夾式蝶閥,雙偏心法蘭式蝶閥結構緊湊,90°回轉開關輕松,密封可靠,使用壽命長。被廣泛用于水廠、電廠、鋼廠、造紙、化工、輕紡、食品等給排水、氣體管道上作調節流量和截流介質的作用。
電動對夾式軟密封蝶閥 執行機構
電動執行機構技術參數:電源AC110、220、380V、DC24,公稱通徑DN50~1200mm,輸出力矩50N·M~2000N·M,公稱壓力PN0.6、1.0、1.6Mpa,功能選型:開關型、無源觸點型、閥位信號反饋型、智能調節型。適用溫度≤120℃,適用介質水、氣、油品及弱腐蝕性流體,輸入信號4-20mA,1-5V,0-10V;輸出信號:4-20mA,1-5V,0-10V。使用方便:采用單相電源,接線簡單;采用獨創的球型凸出結構,使觀察更方便;免加油免點檢、防水防銹、任意角度安裝。保護裝置有雙重限位、過熱保護、過載保護。全行程時間5秒、10秒、15秒、30秒、45秒、60秒。及帶手動功能。內置模塊采用先進計算機單片及智能控制軟件直接接收計算機或工業儀表等輸出的標準信號(4-20mA DC /1-5VDC)實現閥門開度的智能控制和精確定位。
也可選用3810系列或PSQ系列,大口徑閥門一般采用380VAC電動執行器。
電動對夾式軟密封蝶閥 零件材料
|
零件名稱 |
材料 |
|
閥體 |
灰鑄鐵、球墨鑄鐵、鑄鋼、不銹鋼、特殊材料 |
|
蝶板 |
球墨鑄鐵、鑄鋼、不銹鋼、合金鋼 |
|
閥軸 |
2Cr13、不銹鋼 |
|
密封圈 |
各種橡膠、聚四氟乙烯 |
|
填料 |
O型圈、柔性石墨 |
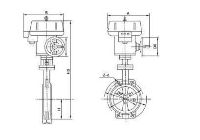
電動對夾式軟密封蝶閥外形尺寸

|
DN |
L |
H |
H1 |
A |
B |
0.6MPa |
1.0MPa |
1.6MPa |
|
DO |
n-d |
DO |
n-d |
DO |
n-d |
|
50 |
43 |
63 |
306 |
180 |
200 |
110 |
4-14 |
125 |
4-18 |
125 |
4-18 |
|
65 |
46 |
70 |
321 |
180 |
200 |
130 |
4-14 |
145 |
4-18 |
145 |
4-18 |
|
80 |
46 |
83 |
346 |
180 |
200 |
150 |
4-18 |
160 |
8-18 |
160 |
8-18 |
|
100 |
52 |
105 |
387 |
180 |
200 |
170 |
4-18 |
180 |
8-18 |
180 |
8-18 |
|
125 |
56 |
115 |
411 |
180 |
200 |
200 |
8-18 |
210 |
8-18 |
210 |
8-18 |
|
150 |
56 |
137 |
447 |
270 |
280 |
225 |
8-18 |
240 |
8-22 |
240 |
8-22 |
|
200 |
60 |
164 |
572 |
270 |
280 |
280 |
8-18 |
295 |
8-22 |
295 |
8-22 |
|
250 |
68 |
206 |
646 |
270 |
280 |
335 |
12-18 |
350 |
12-22 |
355 |
12-26 |
|
300 |
78 |
230 |
738 |
380 |
420 |
395 |
12-22 |
400 |
12-22 |
410 |
12-26 |
|
350 |
78 |
248 |
761 |
380 |
420 |
445 |
12-22 |
460 |
16-22 |
470 |
16-26 |
|
400 |
102 |
289 |
877 |
450 |
470 |
495 |
16-22 |
515 |
16-26 |
525 |
16-30 |
|
450 |
114 |
320 |
938 |
480 |
490 |
550 |
16-22 |
565 |
20-26 |
585 |
20-30 |
|
500 |
127 |
343 |
993 |
480 |
490 |
600 |
20-22 |
620 |
20-26 |
650 |
20-33 |
|
600 |
154 |
413 |
1131 |
480 |
490 |
705 |
20-26 |
725 |
20-30 |
770 |
20-36 |
|
700 |
165 |
478 |
1476 |
640 |
660 |
810 |
24-26 |
840 |
24-30 |
840 |
24-36 |
|
800 |
190 |
525 |
1533 |
640 |
660 |
920 |
24-30 |
950 |
24-33 |
950 |
24-39 |
|
900 |
203 |
585 |
1655 |
750 |
860 |
1020 |
24-30 |
1050 |
28-33 |
1050 |
38-39 |
|
1000 |
216 |
640 |
1765 |
850 |
900 |
1120 |
28-30 |
1160 |
28-36 |
1170 |
28-42 |
|
1200 |
254 |
755 |
1995 |
850 |
900 |
1340 |
32-33 |
1380 |
32-39 |
1390 |
32-48 |
電動對夾式軟密封蝶閥產品承諾:
正鋼閥門一貫奉行誠信為企業的靈魂。本著提供高品質產品,竭誠為用戶服務的宗旨的經營原則,公司以滿足顧客需要為宗旨,愿意通過自己的努力共同促進雙方的合作,為顧客提供優質的產品和優良的服務,正鋼實行公開服務承諾。
1.正鋼所提供的產品從供貨之日起,在正常使用情況下,質保期為12-24個月,在質保期內,一律實行:保質、保量、包修、包換等。同時還提供終身免費咨詢服務。
2.用戶在運輸、裝卸、儲存、擅自拆卸產品或養護不當、自然災害等原因造成產品損壞、使用不當或在保修期外,本公司對產品實行終身技術服務,只收取配件的成本費。
3.用戶如發現產品質量問題或服務抱怨,正鋼收到用戶函電后,根據路程的遠近距離,本市城區2小時到達現場,外區域遇重大問題保證在24小時趕到現場并及時給予答復解決,確保用戶達到滿意。
4.公司承諾質保期滿后以最合理優惠價格快速地提供保養服務,并應買方要求派技術人員赴買方現場進行技術服務。
5.公司貨源充足,品種齊全,配件豐富,應急預案和措施嚴密,可以及時解決用戶臨時性的緊急需求。
6.產品使用過程中,用戶對產品質量、使用性能、改進意見或其他建設性建議等方面的反饋,正鋼會積極采納并改進,以便進一步提高產品質量,更好地回報用戶。
電動對夾式軟密封蝶閥訂貨說明:
1.產品選型:如有指定型號標準,請直播銷售熱線咨詢價格,了解詳情!
2.技術支持:如沒有指定產品型號規格,請把工況要求、設計圖紙、技術規范,發送傳真或郵件至本公司。
3.參數說明:請提供通徑(DN),公稱壓力(Mpa),溫度(℃),連接方式(螺紋、法蘭、對夾等),驅動方式。
4.驅動方式:手動、蝸輪、氣動、電動等。
5.產品標準:國標GB、日標JIS、美標ANSI、德標DIN等。
6.報價確認:本公司提供報價清單及技術標準說明至客戶確認,在雙方技術各方面確認后再擬定合同。
7.質量標準:質量要求、質量標準、供方對質量負責的條件按國家有關質量標準。