『電動法蘭軟密封蝶閥』專業生產廠家,由正鋼自主生產的【蝶閥】質量可靠、價格合理、售后服務完善。『電動法蘭軟密封蝶閥』適用于各種輕重工業及樓宇管道。正鋼品質,全球共享!【蝶閥】廣泛應用于:化工、石化、石油、造紙、采礦、電力、液化氣、食品、制藥、給排水、市政、機械設備配套、電子工業,城建等領域。
電動法蘭軟密封蝶閥 產品概述
電動法蘭軟密封蝶閥由橡膠密封蝶閥和碳鋼或不銹鋼閥板、閥桿構成。適用于溫度≤80~120℃如食品、醫藥、化工、石油、電力、輕紡、造紙等給排水、氣體管道上作調節流量和截流介質的作用。
產品特點
1、設計新穎、合理、結構獨特,重量輕,啟閉迅速。
2、操力矩小,操作方便,省力靈巧。
3、可以任何位置安裝,維修方便。
4、密封件可以更換,密封性能可靠達到雙向密封零泄漏。
5、密封材料耐老化、耐弱腐蝕,使用壽命長等特點。
設計標準:GB/T2238-1989
法蘭連接尺寸:GB/T9113.1-2000;GB/T9115.1-2000;JB78
結構長度:GB/T12221-1989
壓力試驗:GB/T13927-1992;JB/T9092-1999
電動法蘭軟密封蝶閥技術參數
|
公稱通徑 |
DN(mm) |
50~800 |
|
公稱壓力 |
PN(MPa) |
0.6 |
1.0 |
1.6 |
|
試驗壓力 |
強度試驗 |
0.9 |
1.5 |
2.4 |
|
密封試驗 |
0.66 |
1.1 |
1.76 |
|
氣密封試驗 |
0.6 |
0.6 |
0.6 |
|
適用介質 |
空氣、水、污水、蒸氣、煤氣、油品等。 |
|
驅動形式 |
手動、蝸桿蝸輪傳動、氣傳動、電傳動。 |
|
零件名稱 |
材料 |
|
閥體 |
球墨鑄鐵、鑄鋼、合金鋼、不銹鋼 |
|
蝶板 |
鑄鋼、不銹鋼及特殊材料 |
|
密封圈 |
各種橡膠、聚四氟 |
|
閥桿 |
2Cr13、不銹鋼 |
|
填料 |
O型圈、柔性石墨O |
密封材料選用和適用溫度
|
材料品種 |
氯丁橡膠 |
丁晴橡膠 |
乙丙橡膠 |
聚四氟乙烯 |
硅橡膠 |
氟橡膠 |
天然橡膠 |
尼龍 |
|
英語簡稱 |
CR |
NBR |
EPDM |
PTFE |
SI |
VITON |
NR |
PA |
|
型號代號 |
X或J |
XA或JA |
XB或JB |
F或XC、JC |
XD或JD |
XE或JE |
X1 |
N |
|
耐最高溫度 |
82℃ |
93℃ |
150℃ |
232℃ |
250℃ |
204℃ |
85℃ |
93℃ |
|
耐最低溫度 |
-40℃ |
-40℃ |
-40℃ |
-268℃ |
-70℃ |
-23℃ |
-20℃ |
-73℃ |
|
適用工作溫度 |
0~+80℃ |
-20~+82℃ |
-40~+125℃ |
-30~+150℃ |
-70~+150℃ |
-23~+150℃ |
-20~+85℃ |
-30~+93℃ |
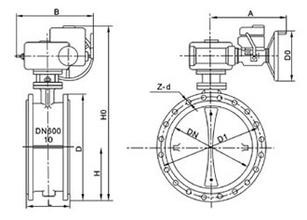
電動法蘭軟密封蝶閥外形尺寸

|
公稱 通徑
mm |
長度 |
外形尺寸 (參考值) |
連接尺寸(標準值) |
重量 kg |
|
0.6MPa |
1.0MPa |
1.6MPa |
|
L |
H |
H0 |
A |
B |
D |
D1 |
D2 |
n-d |
D |
D1 |
D2 |
n-d |
D |
D1 |
D2 |
n-d |
|
50 |
108 |
63 |
306 |
180 |
200 |
140 |
110 |
88 |
4-14 |
165 |
125 |
99 |
4-18 |
165 |
125 |
99 |
4-18 |
13 |
|
65 |
112 |
70 |
321 |
180 |
200 |
160 |
130 |
108 |
4-14 |
185 |
145 |
118 |
4-18 |
185 |
145 |
118 |
4-18 |
14 |
|
80 |
114 |
83 |
346 |
180 |
200 |
190 |
150 |
124 |
4-18 |
200 |
160 |
132 |
8-18 |
200 |
160 |
132 |
8-18 |
15.5 |
|
100 |
127 |
105 |
387 |
180 |
200 |
210 |
170 |
144 |
4-18 |
220 |
180 |
156 |
8-18 |
220 |
180 |
156 |
8-18 |
19.5 |
|
125 |
140 |
115 |
411 |
180 |
200 |
240 |
200 |
174 |
8-18 |
250 |
210 |
184 |
8-18 |
250 |
210 |
184 |
8-18 |
25.5 |
|
150 |
140 |
137 |
447 |
270 |
280 |
265 |
225 |
199 |
8-18 |
285 |
240 |
211 |
8-22 |
285 |
240 |
211 |
8-22 |
28.5 |
|
200 |
152 |
164 |
572 |
270 |
280 |
320 |
280 |
254 |
8-18 |
340 |
295 |
266 |
8-22 |
340 |
295 |
266 |
12-22 |
48 |
|
250 |
250 |
206 |
646 |
270 |
280 |
375 |
335 |
309 |
12-18 |
395 |
350 |
319 |
12-22 |
405 |
355 |
319 |
12-26 |
69 |
|
300 |
270 |
230 |
738 |
380 |
420 |
440 |
395 |
363 |
12-22 |
445 |
400 |
370 |
12-22 |
460 |
410 |
370 |
12-26 |
91 |
|
350 |
290 |
248 |
761 |
380 |
420 |
490 |
445 |
413 |
12-22 |
505 |
460 |
429 |
16-22 |
520 |
470 |
429 |
16-26 |
110 |
|
400 |
310 |
289 |
877 |
450 |
470 |
540 |
495 |
463 |
16-22 |
565 |
515 |
480 |
16-26 |
580 |
525 |
480 |
16-30 |
140 |
|
450 |
330 |
320 |
938 |
480 |
490 |
595 |
550 |
518 |
16-22 |
615 |
565 |
530 |
20-26 |
640 |
585 |
548 |
20-30 |
180 |
|
500 |
350 |
343 |
993 |
480 |
490 |
645 |
600 |
568 |
20-22 |
670 |
620 |
582 |
20-26 |
715 |
650 |
609 |
20-33 |
215 |
|
600 |
390 |
413 |
1131 |
480 |
490 |
755 |
705 |
667 |
20-26 |
780 |
725 |
682 |
20-30 |
840 |
770 |
720 |
20-36 |
290 |
|
700 |
430 |
478 |
1476 |
640 |
660 |
860 |
810 |
772 |
24-26 |
895 |
840 |
794 |
24-30 |
910 |
840 |
794 |
24-36 |
560 |
|
800 |
470 |
525 |
1533 |
640 |
660 |
975 |
920 |
878 |
24-30 |
1015 |
950 |
901 |
24-33 |
1025 |
950 |
901 |
24-39 |
910 |
|
900 |
510 |
585 |
1655 |
750 |
860 |
1075 |
1020 |
978 |
24-30 |
1115 |
1050 |
1001 |
28-33 |
1125 |
1050 |
1001 |
28-39 |
1500 |
|
1000 |
550 |
640 |
1765 |
850 |
900 |
1175 |
1120 |
1078 |
28-30 |
1230 |
1160 |
1112 |
28-36 |
1255 |
1170 |
1112 |
28-42 |
1750 |
|
1200 |
630 |
755 |
1995 |
850 |
900 |
1405 |
1340 |
1295 |
32-33 |
1455 |
1380 |
1328 |
32-39 |
1485 |
1390 |
1328 |
32-48 |
2180 |
|
1400 |
710 |
910 |
2310 |
1000 |
925 |
1630 |
1560 |
1510 |
36-36 |
1675 |
1590 |
1530 |
36-42 |
1685 |
1590 |
1530 |
36-48 |
2400 |
|
1600 |
790 |
1030 |
2595 |
1000 |
925 |
1830 |
1760 |
1710 |
40-36 |
1915 |
1820 |
1750 |
40-48 |
1930 |
1820 |
1750 |
40-56 |
2870 |
|
1800 |
870 |
1140 |
2810 |
1100 |
980 |
2045 |
1970 |
1918 |
44-39 |
2115 |
2020 |
1950 |
44-48 |
2130 |
2020 |
1950 |
44-56 |
3380 |
|
2000 |
950 |
1250 |
3100 |
1100 |
980 |
2265 |
2180 |
2125 |
48-42 |
2325 |
2230 |
2150 |
48-48 |
2345 |
2230 |
2150 |
48-62 |
4010 |
注:若用戶耐需用閥板襯橡膠等特殊要求,訂貨時請注明。
電動法蘭軟密封蝶閥產品承諾:
正鋼閥門一貫奉行誠信為企業的靈魂。本著提供高品質產品,竭誠為用戶服務的宗旨的經營原則,公司以滿足顧客需要為宗旨,愿意通過自己的努力共同促進雙方的合作,為顧客提供優質的產品和優良的服務,正鋼實行公開服務承諾。
1.正鋼所提供的產品從供貨之日起,在正常使用情況下,質保期為12-24個月,在質保期內,一律實行:保質、保量、包修、包換等。同時還提供終身免費咨詢服務。
2.用戶在運輸、裝卸、儲存、擅自拆卸產品或養護不當、自然災害等原因造成產品損壞、使用不當或在保修期外,本公司對產品實行終身技術服務,只收取配件的成本費。
3.用戶如發現產品質量問題或服務抱怨,正鋼收到用戶函電后,根據路程的遠近距離,本市城區2小時到達現場,外區域遇重大問題保證在24小時趕到現場并及時給予答復解決,確保用戶達到滿意。
4.公司承諾質保期滿后以最合理優惠價格快速地提供保養服務,并應買方要求派技術人員赴買方現場進行技術服務。
5.公司貨源充足,品種齊全,配件豐富,應急預案和措施嚴密,可以及時解決用戶臨時性的緊急需求。
6.產品使用過程中,用戶對產品質量、使用性能、改進意見或其他建設性建議等方面的反饋,正鋼會積極采納并改進,以便進一步提高產品質量,更好地回報用戶。
電動法蘭軟密封蝶閥訂貨說明:
1.產品選型:如有指定型號標準,請直播銷售熱線咨詢價格,了解詳情!
2.技術支持:如沒有指定產品型號規格,請把工況要求、設計圖紙、技術規范,發送傳真或郵件至本公司。
3.參數說明:請提供通徑(DN),公稱壓力(Mpa),溫度(℃),連接方式(螺紋、法蘭、對夾等),驅動方式。
4.驅動方式:手動、蝸輪、氣動、電動等。
5.產品標準:國標GB、日標JIS、美標ANSI、德標DIN等。
6.報價確認:本公司提供報價清單及技術標準說明至客戶確認,在雙方技術各方面確認后再擬定合同。
7.質量標準:質量要求、質量標準、供方對質量負責的條件按國家有關質量標準。